Выключатель ВКн503-34

Выключатель ВКн503-34
Выключатель ВКн503-34
Выключатель ВКн503-34

ВКн503 выключатель со световой индикацией предназначен для коммутации электрических цепей переменного тока в бытовой технике.

Условные обозначения:
Выключатель ВКн503-(2)(5), где:
ВКн503 - обозначение типа выключателя.
2 - вариант цвета кнопки выключателя (1, 2 или 3).
5 - вариант цвета корпуса выключателя (4, 5 или не указывается).

Выключатели ВКн503 изготавливаются в корпусах трех цветов:
- белого (вторая цифра после дефиса в обозначении не указывается);
- черного (вторая цифра «4» после дефиса в обозначении);
- коричневого (вторая цифра «5» после дефиса в обозначении);

с кнопками трех цветов:
- белого (первая цифра «1» после дефиса в обозначении);
- красного (первая цифра «2» после дефиса в обозначении);
- оранжево-коричневого (первая цифра «3» после дефиса в обозначении).

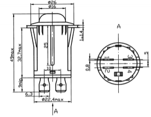
Кнопки могут изготавливаться под монтажную панель до 2,5 мм.

По запросу

Характеристики

Группа Выключатели

Подробнее

Основные технические характеристики

Усилие переключения – не более 20 Н (не более 2,0 кгс)

Полный ход приводного элемента – не более 8,0 мм

Сопротивление электрического контакта – не более 0,05 Ом

Сопротивление изоляции – не менее 1 000 МОм

Электрическая прочность изоляции:

   – между выводами – 1 250 Вэфф;

   – между выводами и корпусом – 3 750 Вэфф

Диапазон рабочих температур – от минус 100С до +850С

Коммутируемый ток от 0,1 до 10 А при напряжении от 3,0 до 250 В

Количество коммутационных циклов  до 20 000

Срок сохраняемости изделий – 4 года