Переключатель ПГ2-10 Р(К)

Переключатель ПГ2-10 Р(К)
Переключатель ПГ2-10 Р(К)
Переключатель ПГ2-10 Р(К)

Малогабаритные галетные переключатели поворотного типа, предназначены для работы в электрических цепях постоянного и переменного токов.
Изготавливаются для внутреннего монтажа во всеклиматическом исполнении «В» и предназначены для объемного монтажа.
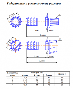
Переключатели ПГ2 (переключатель галетный) имеют от 1 до 4 плат, обеспечивают от 2 до 12 рабочих положений и от 1 до 16 направлений.

Изготавливают в трёх вариантах в зависимости от вида ручки управления или её отсутствия:
-с ручкой «Р»( круглая);
-с ручкой «К»(клювик):
-без ручки.

Основные технические параметры:
● Сопротивление контакта, не более: 0,05 Ом;
● Электрическая прочность изоляции: 550 В;
● Момент переключения, Н*м: от 0,04 до 0,29;
● Сопротивление изоляции, не менее:1000 МОм;
● Рабочая температура окружающей среды: -60 ...+85 °C;
● Повышенная относительная влажность при 35°C: 98 %;
● Гарантийный срок с даты изготовления:12 лет;
● Гарантийная наработка: 10000 ч;

По запросу

Характеристики

Группа Переключатели
Функциональный тип галетные

Подробнее

Типономинал Род
тока
Вид нагрузки Напряжение, В Ток, А Максимальная коммутируемая мощность, Вт (ВхА) Количество циклов переключений в НКУ
не  менее не более не менее не более
ПГ2 пост. активная 0,1 130 1х10-6 0,50 15 5000
перем. индуктивная 0,1 130 1х10-6 0,50 15 2500